- 产品中心 -塑料助剂

清远市普塞呋磷 耐高温聚丙烯阻燃剂-FR2001TP

价格 电议

起批量 25-9999 千克

卖家服务 48小时发货 买家保障支付方式支付宝
采购量-+

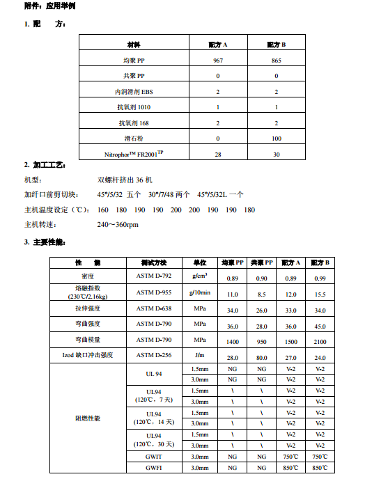
详情


CopyRight 2017-2020 共享材料(www.areliya.com) 电话:0513-82262580 (商务洽谈) 手机号码:13817232091 地址:中国(上海)自由贸易试验区奥纳路79号1幢三层3011室 沪ICP备14003444号-1